Müşteri Yorumları
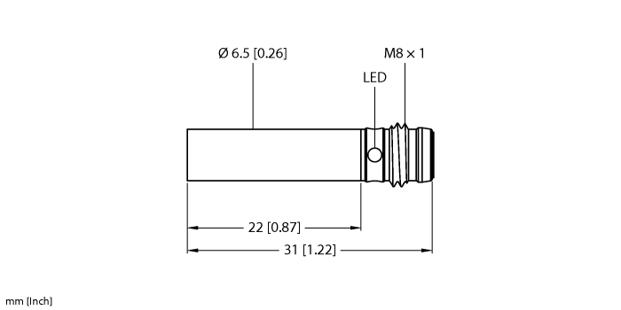
Tasarım Dişsiz silindirik Yapı boyutu Ø 6.5 mm Nominal anahtarlama mesafesi 1.5 mm Montaj koşulları Düz kafa Çalışma gerilimi 10…30 VDC Çıkış işlevi NA kontak, PNP Anahtarlama frekansı 3.0 kHz Elektriksel bağlantı Konektörle
| Tasarım | Dişsiz silindirik |
| Yapı boyutu | Ø 6.5 mm |
| Nominal anahtarlama mesafesi | 1.5 mm |
| Montaj koşulları | Düz kafa |
| Çalışma gerilimi | 10…30 VDC |
| Çıkış işlevi | NA kontak, PNP |
| Anahtarlama frekansı | 3.0 kHz |
| Elektriksel bağlantı | Konektörler, M8 × 1 |
| Gövde malzemesi | Paslanmaz çelik, 1.4305 (AISI 303) |
| Ortam sıcaklığı | -25…+70 °C |
| IP Derecesi | IP67 |