Müşteri Yorumları
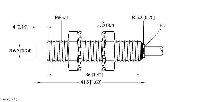
Tasarım Dişli silindirik Yapı boyutu M8 x 1 Nominal anahtarlama mesafesi 3 mm Montaj koşulları Çıkık kafa Çalışma gerilimi 10…30 VDC Çıkış işlevi NA kontak, PNP Anahtarlama frekansı 3.0 kHz Elektriksel bağlantı Kablolar Kablo uzunlu
| Tasarım | Dişli silindirik |
| Yapı boyutu | M8 x 1 |
| Nominal anahtarlama mesafesi | 3 mm |
| Montaj koşulları | Çıkık kafa |
| Çalışma gerilimi | 10…30 VDC |
| Çıkış işlevi | NA kontak, PNP |
| Anahtarlama frekansı | 3.0 kHz |
| Elektriksel bağlantı | Kablolar |
| Kablo uzunluğu | 2.0 m |
| Gövde malzemesi | Paslanmaz çelik, 1.4305 (AISI 303) |
| Ortam sıcaklığı | -25…+70 °C |
| IP Derecesi | IP67 |